További információk
| Tömeg | 9,67 kg |
|---|---|
| Termékcsalád | |
| Típus | |
| Felület | |
| Szín |
Márkáról
Precizitás, innováció, világszínvonal
A GROHE a LIXIL globális gyártási hálózatának részeként öt üzemben állít elő prémium minőségű termékeket, egységes technológiai szabványok szerint. A márka világszerte ismert a kiváló forma és funkció találkozásáról, amelyet a 90% feletti gyártási mélység, saját fejlesztésű GROHE-betétek és csúcstechnológiás gyártási környezet garantál.
A GROHE rugalmasan reagál a piaci és műszaki kihívásokra, miközben minden egyes gyára a legmagasabb szintű minőséget és vásárlói elégedettséget biztosít – minden egyes darabban érezhető a GROHE-élmény.
Leírás
- az alábbiakból áll:
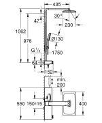
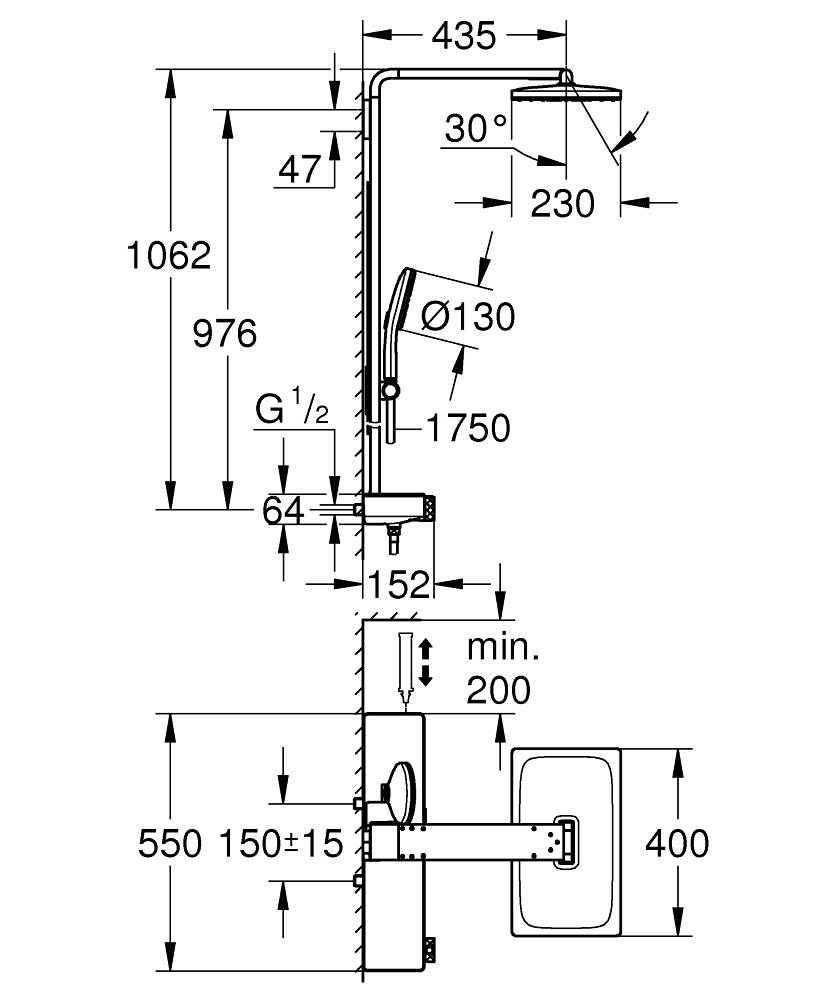
- vízszintes 435 mm-es zuhanykar
- látható SmartControl termosztát fém házzal
- lehetővé teszi a vízkimenetek közti váltást
- fejzuhany Rainshower Aqua Duo négyzet alakú, 400 x 230 mm, fehér akril szórólap
- lengési szög 0° – 30°
- 2-féle vízsugárral:
- GROHE PureRain, ActiveRain zuhanyfunkciók
- kézi zuhany Rainshower Aqua 130 (101 676 0000), fehér akril 3-féle vízsugárral GROHE Rain, Rain+ és ActiveMassage
- magasságában állítható kézizuhany tartó
- kezdeti Rainshower Aqua Pure egység (101 672 9990) mellékelve
- zuhanycső 1750 mm
- A GROHE Rainshower Aqua Pure eltávolítja a klórt és a szagokat (kézizuhany)
- GROHE SmartTip zuhanyfunkció kiválasztása vezérlőgyűrű megnyomásával
- GROHE Water Saving technológia a kisebb vízfogyasztás érdekében
- maximális áramlási sebesség (3 bar-nál): 15 l/perc
- GROHE SmartControl süllyesztett fém gombokkal, nyomja meg a BE-KI kapcsolót, forgassa el a hangerő beállításához GROHE víztakarékosról teljes áramlásra
- GROHE ProGrip Metal recézett szerkezettel
- GROHE TurboStat tágulótestes termoelem
- GROHE SafeStop fogantyú 38°C-nál biztonsági retesszel
- GROHE SafeStop Plus opcionális hőmérséklet maximalizáló 43°C-nál (csomagolásban)
- integrált GROHE EasyReach zuhanytálca (fehér üveg)
- GROHE DreamSpray tökéletes zuhanysugár
- GROHE Long-Life felületkezelés
- SpeedClean vízkőmentesítő fúvókákkal
- Inner WaterGuide belső vízvezető cső a hosszabb élettartam érdekében
- TwistStop csavarodásmentes zuhanygégecső
- A GROHE CoolTouch megakadályozza a forró felületek leforrázását
- átfolyó rendszerű vízmelegítővel is használható (min. 18 kW/h)
- minimális átfolyás 5 liter/perc
- minimális kifolyási nyomás 1,0 bar
- belső 6 V-os lítium elem (42 886 000), CR-P2 típusú
- akkumulátor élettartama kb. 10 év
- csereszűrő: Rainshower Aqua Pure egység (101 672 9990)
- opcionális: Rainshower Aqua üvegpolc (101 677 0000)

Burkolatok
Burkolási segédanyagok
Csaptelepek
Fürdőkádak
Fürdőszobabútorok
Fürdőszobai kiegészítők
Mosogatótálcák
Radiátorok
Szaniterek
Szerelvények
Zuhanymegoldások